Технологии Низкоуглеродной Энергетики

Детандер-генераторный агрегат (ДГА)


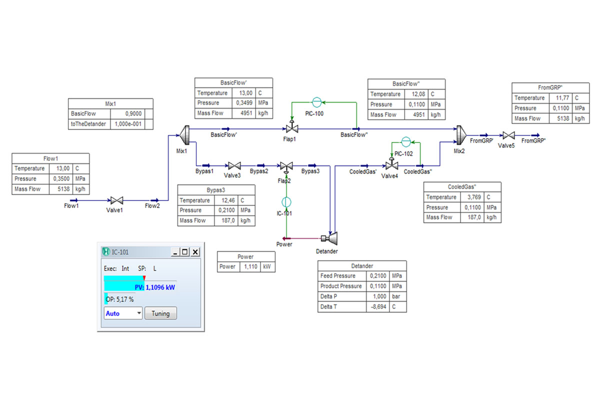
Роторный ДГА предназначен для выработки электроэнергии на технологических объектах системы газораспределения. Изделие относится к классу расширительных машин динамического действия. В ДГА природный газ не используется как топливо, а используется лишь в качестве рабочего тела, с преобразованием энергии сжатого газа в механическую работу в детандере, а затем в электрическую – в генераторе. Отработавший в ДГА газ направляется потребителям в газовую сеть низкого давления.

Опытный образец ДГА обеспечивает выработку электрической энергии и обладает следующими основными техническими параметрами:

Технические характеристики:

Номинальная электрическая мощность:
1 кВт
Номинальное вырабатываемое напряжение:
DC 28 В
Номинальное напряжение на выходе инвертора:
AC 230 В, 50 Гц
Емкость аккумуляторных батарей:
60 А·ч
Номинальное давление газа на входе в детандер:
0,3...0,6 МПа
Давление газа на выходе из детандера:
задается ДГА
Расход газа через детандер при номинальной нагрузке:
80 – 120 куб. м/ч
Частота вращения роторов при номинальной нагрузке:
5000 об/мин.
zoom_in
zoom_in
zoom_in
zoom_in
zoom_in
zoom_in